Приспособление 00-000.06.14.14.00 solidworks
Приспособление 00-000.06.14.14.00 3d модель
Приспособление 00-000.06.14.14.00 сборка
Приспособление 00-000.06.14.14.00 скачать солид воркс
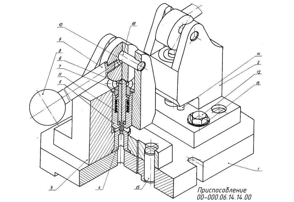
Приспособление служит для последовательного пробивания двух отверстий ф3,2 мм в стальной пластинке толщиной 1,5 мм.
Приспособление состоит из плиты 1 и двух кронштейнов 2,3, каждый из которых крепится к плите 1 с помощью двух диагонально расположенных болтов 12, и фиксируется с помощью двух штифтов 15. В кронштейне 3 имеется выступ, который служит упором для заготовки. В отверстия ф24 кронштейнов 2 и 3 установлены стаканы 5 и втулки 7, которые являются направляющими для пуасонов 6. Заготовка устанавливается на матрицы 4 до выступа на кронштейне 3. Поперечными условиями для заготовки являются штифты 14, которые установлены на кронштейнах 2 и 3. Движение пуасонов 6 обеспечивается последовательным вращением эксцентриком 10 вокруг оси (штифта) 16 с помощью рукоятки (8,9). Возвращение пуасона в исходное положение осуществляется за счет силы сжатия пружины 11 и обратного движения эксцентрика 10. Все фаски для внутренней метрической резьбы выполнены по ГОСТ10549-80 и на чертеже деталей не указаны.
3D модели (все показано на скриншотах) выполнены SOLIDWORKS 2016 или возможно открыть в выше версиях солида.
Также открывать и просматривать, печатать чертежи и 3D-модели, выполненные в SOLIDWORKS возможно в SolidWorks eDrawings Viewer.
По другим вариантам и всем вопросам пишите в Л/С. Отвечу и помогу.

