Борковская Л.В., Гулянская Е.А., Зыкунова К.И. и др. Альбом заданий для выполнения сборочных чертежей.Борковская Л.В., Гулянская Е.А., Зыкунова К.И. и др. Задание 14 - Штамп для выдавливания деталей.
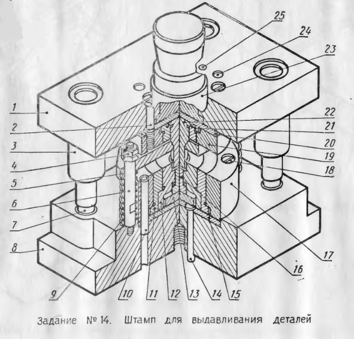
Назначение и устройство штампа. Штампы такой конструкции могут служить для холодной штамповки небольших алюминиевых деталей методом выдавливания (с возможным обратным выдавливанием) на кривошипных прессах. Штамп, чертежи деталей которого приведены в задании, предназначен для выдавливания алюминиевых колпачков, изображенных на рис. 1. Штамп состоит из подвижной (верхней) и неподвижной (нижней) частей. Нижнюю часть собирают так. В отверстия Ø 10 основания 8 забивают сверху на глубину 15—20 мм штифты 10. На штифты надевают прокладку 15 и укладывают в расточку Ø 130 основания 8 так, чтобы отверстия Ø 8,5 деталей 8 и 15 совпали. В эти отверстия головками вверх пропускают пальцы 14. Сверху на них и прокладку 15 кладут диск 13, а на него головкой вниз —выталкиватель 16. Затем отдельно собирают детали 11, 12 и 17. Их вставляют одну в другую до упора: матрицу 12 в кольцо 11, а кольцо 11 — в обойму 17. Собранный узел надевают на выступающий вверх стержень Ø 13 выталкивателя 16 и на штифты 10; при этом диск 13 должен оказаться в расточке Ø 50 матрицы 12. Узел крепят винтами 18 к основанию 8. В отверстия Ø 25 основания 8 запрессовывают на глубину 50 мм колонки 7, а в гнезда М10 завинчивают стойки 6, на которые надевают пружины 9. На пружины укладывают съемник 5 конусной расточкой вверх. Затем на стойки навинчивают по две гайки 4, предотвращающие сбрасывание съемника 5 после разжатия пружин. На этом сборку неподвижной части штампа заканчивают. Подвижную часть собирают так. В отверстия Ø 10 плиты 1 забивают снизу заподлицо с верхней плоскостью штифты 24, а в отверстие Ø 62— хвостовик 23 до упора в расточку плиты. Хвостовик 23 фиксируют относительно плиты 1 штифтом 25. На штифты 24 надевают прокладку 20; при этом отверстия прокладки Ø 10,5 должны совпасть с такими же отверстиями в плите. Затем отдельно собирают детали 19, 21 и 22; пуансон 22 забивают во втулку 21 так, что бурт его укладывается в соответствующей расточке втулки; в свою очередь, деталь 21 забивают до предела в пуансонодержатель 19. Собранный узел надевают на штифты 24 так, чтобы он прилегал плоскостями всех трех деталей к прокладке 20. Узел крепят к плите 1 винтами 2. В отверстия Ø 38 плиты 1 снизу запрессовывают до упора втулки 3. На этом сборку подвижной части заканчивают. Подвижную часть штампа устанавливают относительно неподвижной так, чтобы колонки 7 вошли во втулки 3, а пуансон 22 через отверстие в съемнике 5 — в матрицу 12. На сборочном чертеже подвижную часть штампа надо показать в рабочем положении (самом нижнем), когда пуансон, матрица и выталкиватель оформят соответственно внутреннюю и наружную конфигурации изделия. При этом пружины 9 несколько сжаты. Рассмотрим работу штампа. Заготовку в виде шестигранной призмы определенных размеров закладывают пинцетом в полость матрицы 12 на торец выталкивателя 16. Пуансон 22 при движении плиты вниз нажимает на заготовку и выдавливает ее в зазоры между пуансоном и матрицей. При обратном ходе пуансона выталкиватель 16 освобождает матрицу от изделия, которое снимается затем с пуансона съемником 5 и удаляется пинцетом из полости штампа. Выталкиватель 16 подается вверх пальцами 14, которые связаны с механизмом (на чертеже не показан), сблокированным с верхней частью штампа.
В состав работы входит:
-3D модели всех деталей;
-3D сборка;
-Сборочный чертеж;
-Спецификация.
14-00 - Штамп для выдавливания деталей
14-1 - Плита
14-3 - Втулка
14-5 - Съемник
14-6 - Стойка
14-7 - Колонка
14-8 - Основание
14-9 - Пружина
14-11 - Втулка
14-12 - Матрица
14-13 - Диск
14-14 - Палец
14-15 - Прокладка
14-16 - Выталкиватель
14-17 - Обойма
14-19 - Пуансонодержатель
14-20 - Прокладка
14-21 - Втулка
14-22 - Пуансон
14-23 - Хвостовик
Выполнено в программе SolidWorks
Помогу с другими вариантами. Пишите в личные сообщения.



