По заданию выполнено:
-3D модели всех деталей;
-3D сборка (с разносом компонентов);
-Сборочный чертеж;
-Спецификация.
- Чертежи всех деталей и стандартных изделий (деталирование)
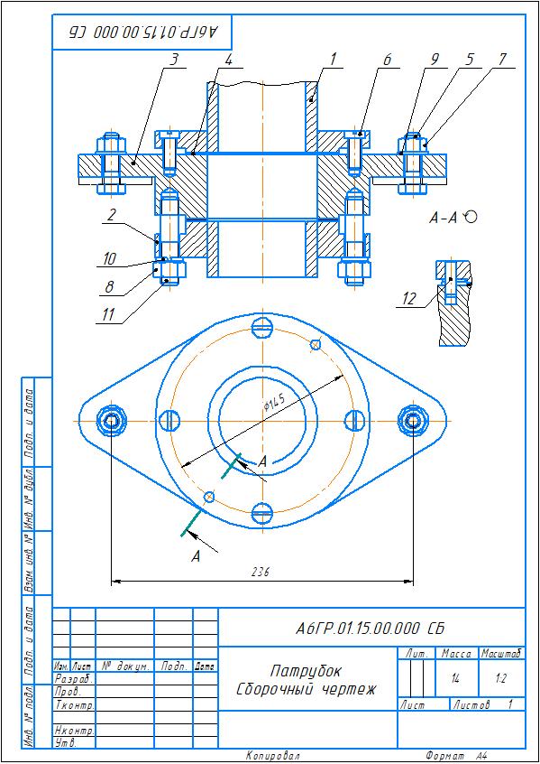
А6ГР.01.15.00.000 СБ - Патрубок Сборочный чертеж
А6ГР.01.15.01.000 СБ - Патрубок сварной Сборочный чертеж
А6ГР.01.15.02.000 СБ - Отвод сварной Сборочный чертеж
А6ГР.01.15.00.001 - Фланец
А6ГР.01.15.00.002 - Прокладка
А6ГР.01.15.01.001 - Фланец
А6ГР.01.15.01.002 - Труба
А6ГР.01.15.02.001 - Отвод
А6ГР.01.15.02.002 - Труба
Выполнено в программе Компас



