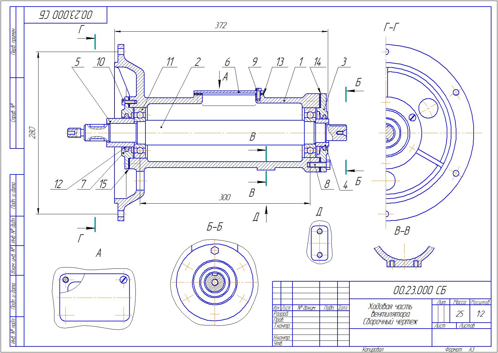
Вентилятор предназначен для перемещения неагрессивных газов, содержащих пыль и другие вредные примеси. Изображенная на чертеже ходовая часть вентилятора состоит из корпуса 1, вала 2, подшипников 11, крышек 3 и 7. Спиральный корпус вентилятора (на чертеже не показан) соединен с ходовой частью фланцем корпуса 1. Крутящий момент передается рабочему колесу, посаженному на вал 2 (колесо на чертеже не показано). В качестве привода применяется плоско или клиноременная передача.
В состав работы входит:
-3D модели всех деталей;
-3D сборка;
-3D сборка с разносом компонентов;
- Чертежи всех деталей;
-Чертеж общего вида;
-Спецификация.
-Изометрия детали Корпус
00.23.000 СБ - Ходовая часть вентилятора Сборочный чертеж
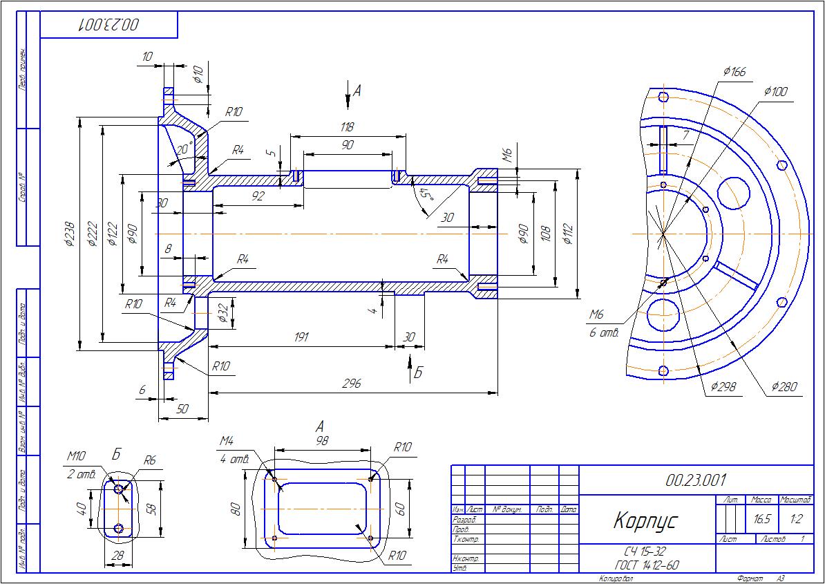
00.23.001 - Корпус
00.23.002 - Вал
00.23.003 - Крышка
00.23.004 - Втулка распорная
00.23.005 - Втулка распорная
00.23.006 - Крышка
00.23.007 - Крышка
Выполнено в программе Компас
Помогу с другими вариантами. Пишите в личные сообщения.





