Разъем для коаксильного радиочастотного кабеля МРАГ.АО 0002.000
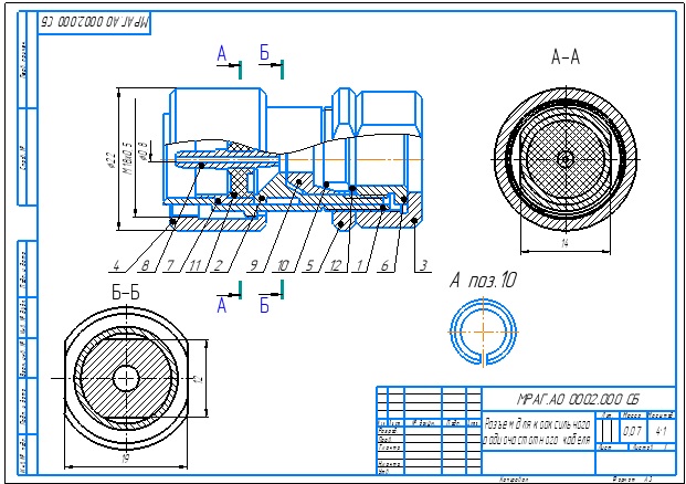
Разъем для коаксильного радиочастотного кабеля служит для соединения концов кабеля. Один конец кабеля крепится справа от настоящего разъема, второй конец кабеля крепится к аналогичной части разъема, присоединяемый слева к этому разъему. Кабель имеет центральный провод и проволочную оплетку, пространство между которыми заполнено изолятором поз.11. Снаружи оплетка защищена оболочкой. Центральный провод вводится в отверстие контакта поз.8 и припаивается. Оплетка зажимается между штуцером поз.3 и конусом поз.9. Изолятор поз.11 в отверстие штуцера поз.3; наружная зажимается в отверстии разрезного кольца поз.10.
Разъем для коаксильного радиочастотного кабеля МРАГ.АО 0002.000 СБ
Разъем для коаксильного радиочастотного кабеля МРАГ.АО 0002.000 спецификация
Разъем для коаксильного радиочастотного кабеля МРАГ.АО 0002.000 3д модель
Разъем для коаксильного радиочастотного кабеля МРАГ.АО 0002.000 чертежи
Корпус МРАГ.АО 0002.001
Штуцер МРАГ.АО 0002.002
Гайка накидная МРАГ.АО 0002.003
Гайка круглая МРАГ.АО 0002.004
Гайка МРАГ.АО 0002.005
Втулка резьбовая МРАГ.АО 0002.006
Втулка МРАГ.АО 0002.007
Контакт МРАГ.АО 0002.008
Конус МРАГ.АО 0002.009
Кольцо разрезное МРАГ.АО 0002.010
Изолятор МРАГ.АО 0002.011
Кольцо МРАГ.АО 0002.012
Все чертежи и 3d модели (все на скриншотах показано и присутствует в архиве) выполнены в КОМПАС 3D.
Также открывать и просматривать, печатать чертежи и 3D-модели, выполненные в КОМПАСЕ можно просмоторщиком КОМПАС-3D Viewer.
По другим вариантам и всем вопросам пишите в Л/С. Отвечу и помогу.


