Задание № 36 из учебника C.К. Боголюбов "Чтение и деталирование сборочных чертежей
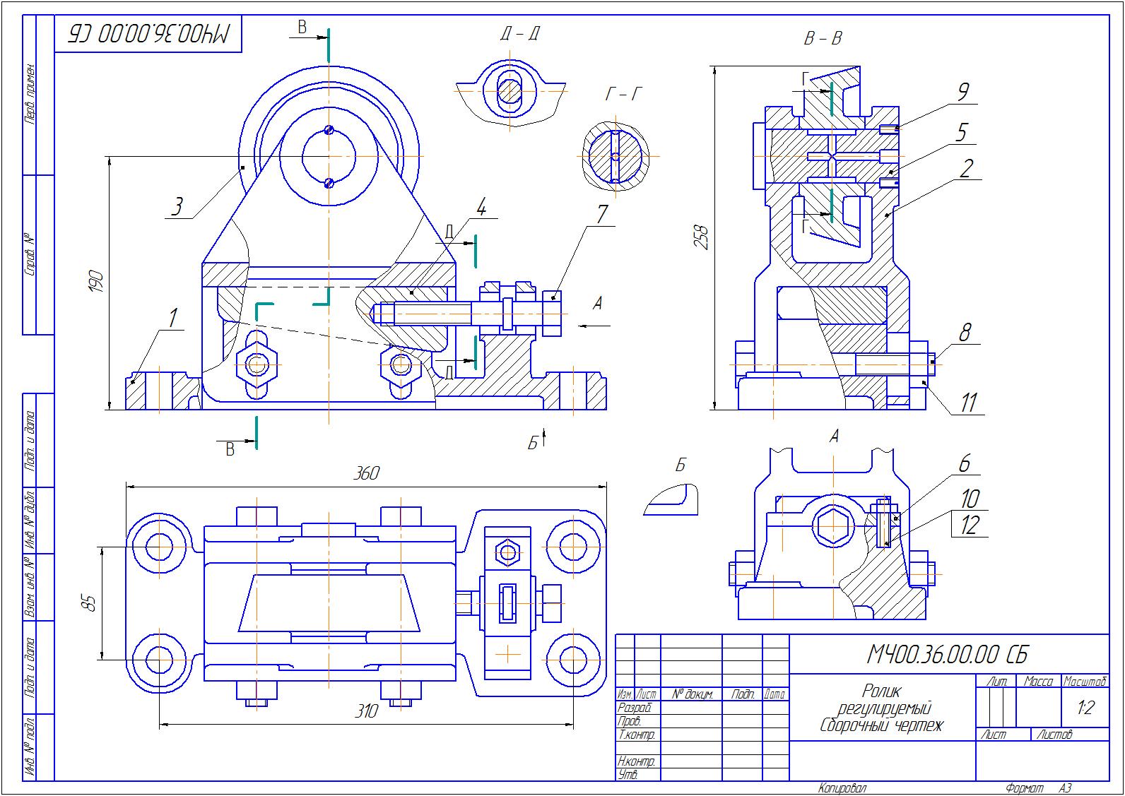
Деталирование ролика регулируемого. Рабочие чертежи 7 деталей:
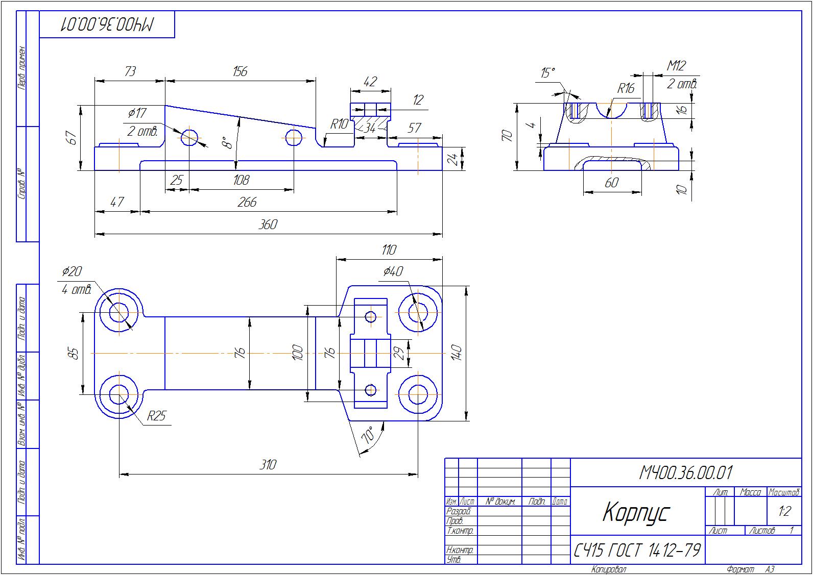
1. Корпус
2. Стойка
3. Ролик
4. Клин
5. Ось
6. Крышка
7. Винт
Сборочный чертеж, спецификация
Ролик регулируемый МЧ00.36.00.00 Сборочный чертеж и деталировка
- Тип работы
- 0
- Группа предметов
- Технические дисциплины
- Предмет
- Инженерная графика
- Вуз
- Не указан
- Год сдачи
- 26 Мар 2018
- Демо-файлы



- Файлы работы
Нужна оригинальная работа? Ответы на тесты? И многое другое можно заказать кликнув сюда 👆
400 Р
642 Р
Описание
Если 0 на тему Ролик регулируемый МЧ00.36.00.00 Сборочный чертеж и деталировка Вам не подходит? Не беда! посмотрите похожие работы в Нашем поиске:)